首页
关于我们
产品中心
商务合作
新闻中心
人才招聘
联系我们
首页
关于我们
企业简介
企业文化
组织结构
企业风采
产品中心
商务合作
新闻中心
人才招聘
联系我们
English
语言
中文版
English
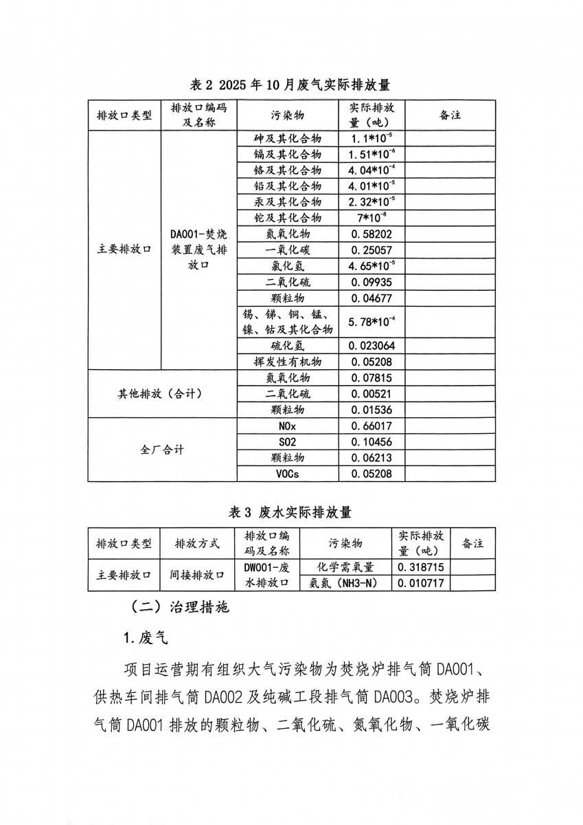
公示 | 2025年10月份环境防治信息公示
发布日期:2025-11-27
首页
关于我们
产品中心
联系我们